GoodviN 3 Жалоба Опубликовано: 25 сентября 2012 Добрый день. Проблема заключается в том, что при запуске двигателя отключается магнитола хотя должна на время пуска отключать только звук на 3-4сек. Включаю ее кнопкой, еду, через какое то время она может самостоятельно выключиться. Данная проблема стала проявляться крайне редко пару месяцев назад, прогрессировала и сейчас уже крайне редко магнитола запускается в штатном режиме. Так же после остановки и извлечении ключа зажигания очень часто не происходит разблокировка дверей и магнитола не выключается. После того как повторно вставлю ключ, поверну в положение ON и снова извлеку, как правило двери разблокируются и магнитола выключается, но не всегда, иногда приходится повторять данную процедуру 2-3 раза. Грешу на контактную группу замка зажигания. Но есть сомнения, т.к. остальные потребители работают исправно, без нареканий. Может быть кто то посоветует что ни будь еще, куда копать? А так же помогите разобраться какой контакт замка зажигания за что отвечает, а то в Elsa только обозначение клемм (15, 30, 50, S, X, P), что они обозначают P.S. Магнитола штатная RCD-310, была установлена сигнализация (июнь), заменен подрулевой блок и установлен круиз и мультируль (июль) а так же подсветка дверей и пространства для ног, но четкой временной связи между данными операциями и появлением неисправности не вижу. Поделиться сообщением Ссылка на сообщение Поделиться на других сайтах
aas 85 Жалоба Опубликовано: 25 сентября 2012 Проверить на ошибки.Проверить контакты группы замка зажигания( клемма S)и разьем (F) подрулевого блока. Возможно ошибаюсь ,но проверить можно . Поделиться сообщением Ссылка на сообщение Поделиться на других сайтах
aas 85 Жалоба Опубликовано: 26 сентября 2012 @GoodviN, Посмотрите контакт предохр.SB8 -моторный отсек слева .Клеммы : 30 (постоянные +12v ) 15 (+12v при вкл.зажигании) 50 (стартер) X ( подключаются -дальний свет,дворники, обогрев ... при работе стартера +12v проподает) S (+12v при вставленном ключе) P( ? ) Поделиться сообщением Ссылка на сообщение Поделиться на других сайтах
GoodviN 3 Жалоба Опубликовано: 26 сентября 2012 Нашел схему замка зажигания, грешу на контакт S. Наткнулся на статью на шкодовском форуме, у человека была подобная проблема, он перебирал и дорабатывал контактную группу замка зажигания. Буду тоже в этом направлении копать. @aas, за что отвечает предохранитель SB8? Поделиться сообщением Ссылка на сообщение Поделиться на других сайтах
GoodviN 3 Жалоба Опубликовано: 26 сентября 2012 @aas, сейчас смотрю на подрулевой блок (старый), там в разъеме F нет 10й ноги (клемма X) и 11 ноги (клемма P). Я правильно понимаю, что все потребители включаются по питанию на клемме 15? Поделиться сообщением Ссылка на сообщение Поделиться на других сайтах
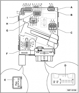
aas 85 Жалоба Опубликовано: 27 сентября 2012 (изменено) @aas, сейчас смотрю на подрулевой блок (старый), там в разъеме F нет 10й ноги (клемма X) и 11 ноги (клемма P). Я правильно понимаю, что все потребители включаются по питанию на клемме 15? F8 - SB8-предохранитель 8 в блоке предохранителей 15 A - J503 -блок управления с дисплеем радионавигационной системы R - магнитола R146 - Спутниковый приёмник 30 Сделайте диагностику по ошибкам легче понять будет в каком направлении искать. F = гнездо разъёма выключателя стартера/зажигания и устройства блокировки ключа в замке зажигания: 1 - не используется 2 - не используется 3 - Блокировка ключа в замке зажигания вкл., клемма 30 4 - Масса устройства блокировки ключа в замке зажигания 5 - не используется 6 - не используется 7 - Выход, выключатель стартера/зажигания, клемма 50 8 - Выключатель стартера/зажигания, клемма 30 9 - Выход, выключатель стартера/зажигания, клемма S 10 - Выход, выключатель стартера/зажигания, клемма Х 11 - Выход, выключатель стартера/зажигания, клемма Р 12 - Выход, выключатель стартера/зажигания, клемма 15 Изменено 27 сентября 2012 пользователем aas Поделиться сообщением Ссылка на сообщение Поделиться на других сайтах
GoodviN 3 Жалоба Опубликовано: 27 сентября 2012 В общем решил я сегодня посмотреть контактную группу замка, т.к.других явных причин я не увидел. Снял контактную группу, разобрал. Контакты 30, 50, 15, Х, Р представляют из себя радиальные дорожки по которым ходит, поворачиваемый штоком механической части замка, подвижный контакт. Они чистые, еше в заводской смазке. Контакт S (наличие ключа в замке) выполнен по аналогии с кнопками на пульте или мембранной клавиатуре, в центре две дорожки, замыкаемые токопроводящим пятаком резиновой мембраны, сама мембрана закреплена на пластиковой втулке, размещаемой в отверстии ответной части корпуса контактной группы, во внутреннюю часть втулки вставляется пружина, которая закрывается втулкой меньшего диаметра, которая в свою очередь защелкивается в наружней втулке. Шток механической части замка давит на внутреннюю втулку, которая через пружину давит на внешнюю втулку с закреплений на ней мембраной, которая в свою очередь замыкает дорожки. На дорожках был елезаметный налет (похожий на окисел), сам токопроводящий пятак был в порядке. В общем проблема в недостаточном контакте между дорожками и токопроводящим пятаком мембраны. Дорожки я зачистил мелкой наждачкой (1000), так же заменил пружину на поджодящуюю по размерам, но более упругую, для более сильного прижима токопроводящего пятака к дорожкам. После сборки и установки контактной группы на место магнитола и разблокировка дверей заработали в штатном режиме. Результат достигнут. P.S. Фоток нет, т.к. ремотнт производил на работе в обед и фотоаппарата не оказалось под рукой. Весь процесс занял пол часа с перекуром. 1 Поделиться сообщением Ссылка на сообщение Поделиться на других сайтах
aas 85 Жалоба Опубликовано: 27 сентября 2012 @GoodviN, C победой беды! Контакты , дорожки лучше не чистить наждачкой . Поделиться сообщением Ссылка на сообщение Поделиться на других сайтах
GoodviN 3 Жалоба Опубликовано: 27 сентября 2012 А чем лучше чистить? Пробовал протирать спиртом, эффекта не дало. Поделиться сообщением Ссылка на сообщение Поделиться на других сайтах
orshu 4 Жалоба Опубликовано: 28 сентября 2012 лучше всего контакты чистятся обычным ластиком (стирательная резинка). Поделиться сообщением Ссылка на сообщение Поделиться на других сайтах