Перейти к публикации
-John-

Запах кондиционера. Чистка испарителя кондиционера.

Рекомендованные сообщения

Така ж проблема, тухлий запах в салоні, чистка випарника кондиціонера шляхом приведеним вище результату значного не дала. Через 2 тижні знову стало тхнути в салоні. Хоча машині 2 роки. калюж під машиною від конденсату не має. Тому є підозра, що забилася дренажна трубка випарника кондиціонера, якщо не сам випарник. Під днищем трубки, щоб почистити її не знайшов. Підскажіть, будь-ласка де знаходиться трубка для відтіку конденсату з випарника і сам випарник кондиціонера :read: та як до нього добратися (jetta 1.9 tdi 2008рік), бажано з фото. Дякую.

Поделиться сообщением


Ссылка на сообщение
Поделиться на других сайтах

Подскажите где находится эта дренажная труба испарителя кондиционера под машиной...все днище осмотрел, но никак не смог найти. Снимал правое колесо с подкрылком, но тоже ничего не нашел, только дренаж который с лобового идет нашел.

 

Либо подскажите куда засовывать трубку в салоне чтоб испаритель почистить?? Понятное дело что вытаскиваю салонный фильтр, а дальше куда???

Изменено пользователем Чернобурка

Поделиться сообщением


Ссылка на сообщение
Поделиться на других сайтах

Подскажите где находится эта дренажная труба испарителя кондиционера под машиной...все днище осмотрел, но никак не смог найти. Снимал правое колесо с подкрылком, но тоже ничего не нашел, только дренаж который с лобового идет нашел.

 

Либо подскажите куда засовывать трубку в салоне чтоб испаритель почистить?? Понятное дело что вытаскиваю салонный фильтр, а дальше куда???

Я при снятом фильтре вдул в воздуховод из того места, где стоит этот фильтр. Он идет куда-то вниз к испарителю. Вдул весь баллончик и пена аж просилась наружу. Закрыл крышку без фильтра и дальше по инструкции на баллончике.... Вся жижа потом вытекала под машину в районе правого переднего колеса. Результатом остался доволен.

Поделиться сообщением


Ссылка на сообщение
Поделиться на других сайтах

Я при снятом фильтре вдул в воздуховод из того места, где стоит этот фильтр. Он идет куда-то вниз к испарителю. Вдул весь баллончик и пена аж просилась наружу. Закрыл крышку без фильтра и дальше по инструкции на баллончике.... Вся жижа потом вытекала под машину в районе правого переднего колеса. Результатом остался доволен.

 

Я при снятом фильтре вдул в воздуховод из того места, где стоит этот фильтр. Он идет куда-то вниз к испарителю. Вдул весь баллончик и пена аж просилась наружу. Закрыл крышку без фильтра и дальше по инструкции на баллончике.... Вся жижа потом вытекала под машину в районе правого переднего колеса. Результатом остался доволен.

 

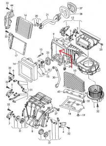
Правильно я понял, что Вы как по стрелке всю пену распылили? и через сливную трубу (30) все само вытекло?

 

 

15 Испаритель с расширительным клапаном

25 Датчик температуры Испаритель

29 Датчик температуры Испаритель

30 Труба для слива воды

post-7508-0-40898800-1354531317_thumb.jpg

Поделиться сообщением


Ссылка на сообщение
Поделиться на других сайтах

Да, именно левее от фильтра.

Поделиться сообщением


Ссылка на сообщение
Поделиться на других сайтах

Не так давно приобрел Джетту 5, от климата есть запашок. В принципе дезинфекция испарителя для меня не новость, я на предыдущем авто делал уже. Собираюсь и здесь сделать. Попалась в инете инструкция интересная, может кому пригодится, а то были вопросы о том, как найти дренажную трубку :-)

Хотя мне нравится вариант с вдуванием жидкости через гнездо салонного фильтра, думаю так и бууд делать.

http://www.drive2.ru/l/1374935/

 

Единственно, никто не говорит про то, что с запахом этой химии ездить потом пару дней. Может мне просто такая попадалась...

Поделиться сообщением


Ссылка на сообщение
Поделиться на других сайтах

Тоже думаю через гнездо салонного фильтра делать дезинфекцию

Поделиться сообщением


Ссылка на сообщение
Поделиться на других сайтах

Народ куда заливать очищающую жидкость для испарителя???


И какой балончик лучше купить для дизинфекции???

Поделиться сообщением


Ссылка на сообщение
Поделиться на других сайтах

Создайте аккаунт или войдите в него для комментирования

Вы должны быть пользователем, чтобы оставить комментарий

Создать аккаунт

Зарегистрируйтесь для получения аккаунта. Это просто!

Зарегистрировать аккаунт

Войти

Уже зарегистрированы? Войдите здесь.

Войти сейчас

×