Fedor 10 23 Жалоба Опубликовано: 13 октября 2009 Vladyslav Там номер инвертора. Поделиться сообщением Ссылка на сообщение Поделиться на других сайтах
VoVaNUA 0 Жалоба Опубликовано: 4 января 2010 Подскажите не работает розетка 230В и не какие лампочки на ней не горят. Что может быть? И как можно решить проблему самому? Поделиться сообщением Ссылка на сообщение Поделиться на других сайтах
МихалычЪ 66 Жалоба Опубликовано: 5 января 2010 Я тоже наблюдал странное поведение розетки. Подключаю ноут/зарядку видео камеры, телефона - работает как надо. Один раз подключил зарядку электробритвы, розетка не работала. Сейчас всё ок... Поделиться сообщением Ссылка на сообщение Поделиться на других сайтах
fedotovgrig 0 Жалоба Опубликовано: 11 января 2010 У меня инвертор сгорел. Розеткой пользовался не часто. Прошлой зимой грелку включал и летом ноутбук раза три. На четвёртый не работало. Был в то время в Севастополе там за 100 гривен сказали, что инвертор сдох. По гарантии менять отказались , я к тому времени уже 20 штук накатал. Так и езжу без розетки. Поделиться сообщением Ссылка на сообщение Поделиться на других сайтах
петька 5 Жалоба Опубликовано: 6 февраля 2010 Кто вытаскивал разетку 220в из подлокотника, два самореза под заглушкой выкручивал но он не вылазиет, что можно сделать чтоб ни чего не сломать !!!!!!! Поделиться сообщением Ссылка на сообщение Поделиться на других сайтах
seoa40 127 Жалоба Опубликовано: 6 февраля 2010 Я вообще не в восторге от сего девайса! (может потому, что у меня нет ноутбука!). Мне ента розетка не "греет" вообще... Лучше подстаканники... Поделиться сообщением Ссылка на сообщение Поделиться на других сайтах
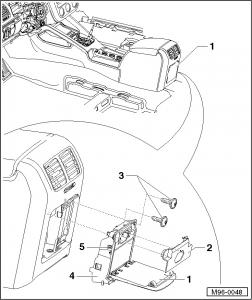
Fedor 10 23 Жалоба Опубликовано: 6 февраля 2010 Снятие: – Открыть крышку -1-. – С помощью клина -VAS 3409- снять крышку розетки -2-, которая закреплена по обеим сторонам розетки. – Выкрутить два винта -3- (1,5 Нм). – Вынуть внутреннюю часть розетки -4-. Для этого нужно отсоединить оба боковых держателя -5- – Разблокировать разъём -1- и вынуть вилку разъёма – Разблокировать фиксаторы розетки -4- -стрелки- и вынуть её. – Выкрутить два винта -2 и 3-. – Извлечь наружу инвертор -1-. Поделиться сообщением Ссылка на сообщение Поделиться на других сайтах
петька 5 Жалоба Опубликовано: 7 февраля 2010 Спасибо. Поделиться сообщением Ссылка на сообщение Поделиться на других сайтах
Mak232723 0 Жалоба Опубликовано: 7 февраля 2010 Не подскажите где взять переходник к этой розетки?У меня под дефлектором воздуха она находится.Я не пробовал или можно прям так подключать ноутбук,телефон и т.д. Поделиться сообщением Ссылка на сообщение Поделиться на других сайтах
asl 2 Жалоба Опубликовано: 7 февраля 2010 Подключается без переходников! Поделиться сообщением Ссылка на сообщение Поделиться на других сайтах